Land Rover Freelander Td4 Alternator Belt Diagram





Pqs101300l Land Rover Freelander 1 Td4 Alternator Drive Belt For Sale Online Ebay

Pqs101300l Land Rover Freelander 1 Td4 Alternator Drive Belt For Sale Online Ebay

Replace The Ancillary Drive Belt Td4 Landyzone Land Rover Forum

Replace The Ancillary Drive Belt Td4 Landyzone Land Rover Forum

Freelander Engine Belt Diagram In 2020 Diagram Belt Save Link

Freelander Engine Belt Diagram In 2020 Diagram Belt Save Link

Alternator Belt How Much To Fix Landyzone Land Rover Forum

Alternator Belt How Much To Fix Landyzone Land Rover Forum

Td4 Fan Belt Freelander Forum Lr4x4 The Land Rover Forum

Td4 Fan Belt Freelander Forum Lr4x4 The Land Rover Forum

Td4 Aux Belt Won T Fit Landyzone Land Rover Forum

Td4 Aux Belt Won T Fit Landyzone Land Rover Forum

Td4 Aux Belt Won T Fit Landyzone Land Rover Forum

Freelander auxiliary belt tensioner replacement.

Land rover freelander td4 alternator belt diagram. By continuing to use this site you are agreeing to our use of cookies. Charging and starting repairs ancillary drive belt td4. Freelander td4 diesel has a chain mega bucks l series diesel pre bmw engine has a belt plus a small belt for the injection pump. Remove ancillary drive belt.

Serpentine and timing belt diagrams. Route diagram 2002 1 8 s freelander altinater belt show me the route the altinator belt goes from altinater to steering pump on a 2002 1 8s freelander petrol. I have a 51 plate 2002 freelander td4 auto. Land rover freelander 2 0 diesel wymiana wymiana paska alternatora i a c a c and alternator belt replacement.

Engine td4 repairs hydramount engine rh. Forums land rover forums land rover freelander this site uses cookies. I believe the land rover special tool is no more than a 24mm ring on a much extended shaft making access from beneth the vehicle easier. Charging and starting repairs alternator td4.

Jun 03 2014 2003 land rover freelander. The k series 1 8 petrol and kv6 2 5l also have belt s. Hello i m james i would like to inspire you with your land rover whether it be to re build modify or carry out maintainance on it especially if your on a budget. Obtain a diagram of the belt engine before and you.

Remove bolt securing dipstick tube to oil filter. Sep 24 2016 2002 land rover freelander. Move dipstick tube aside for access.

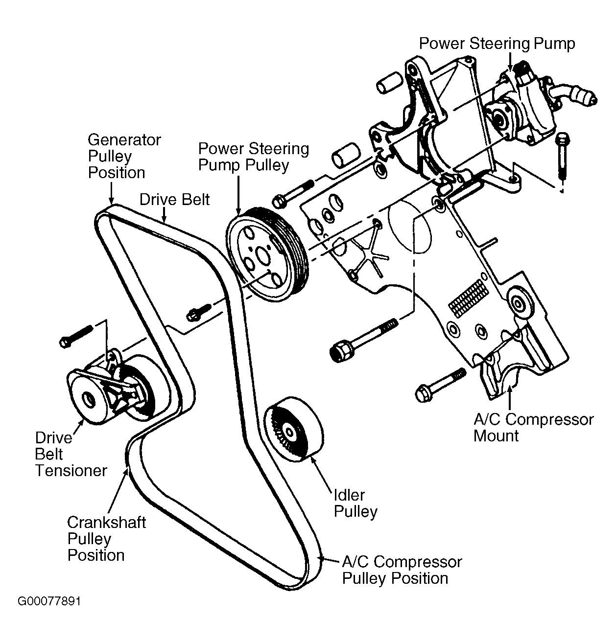
2005 Land Rover Freelander Serpentine Belt Routing And Timing Belt Diagrams

2005 Land Rover Freelander Serpentine Belt Routing And Timing Belt Diagrams

Freelander 1 L Series Aux Drive Belt Landyzone Land Rover Forum

Freelander 1 L Series Aux Drive Belt Landyzone Land Rover Forum

Power Steering Gone Landyzone Land Rover Forum

Power Steering Gone Landyzone Land Rover Forum

1999 Lincoln Town Car Serpentine Belt Routing And Timing Belt Diagrams

1999 Lincoln Town Car Serpentine Belt Routing And Timing Belt Diagrams

Td4 Aux Belt Won T Fit Landyzone Land Rover Forum

Td4 Aux Belt Won T Fit Landyzone Land Rover Forum

Replace The Ancillary Drive Belt Td4 Landyzone Land Rover Forum

Replace The Ancillary Drive Belt Td4 Landyzone Land Rover Forum

2005 Land Rover Freelander Serpentine Belt Routing And Timing Belt Diagrams

2005 Land Rover Freelander Serpentine Belt Routing And Timing Belt Diagrams

Freelander Auxiliary Belt Tensioner Replacement Land Rover Blogger

Freelander Auxiliary Belt Tensioner Replacement Land Rover Blogger

Freelander Auxiliary Belt Tensioner Replacement Land Rover Blogger

Freelander Auxiliary Belt Tensioner Replacement Land Rover Blogger

Belt Or Pulley Noise Land Rover Forums Land Rover Enthusiast Forum

Belt Or Pulley Noise Land Rover Forums Land Rover Enthusiast Forum

Solved Drive Belt Diagram Fixya

Solved Drive Belt Diagram Fixya

Land Rover Workshop Manuals Freelander Service Procedures Charging And Starting Repairs Alternator Td4

Land Rover Workshop Manuals Freelander Service Procedures Charging And Starting Repairs Alternator Td4

Land Rover Workshop Manuals Freelander Service Procedures Charging And Starting Repairs Tensioner Ancillary Drive Belt Td4

Land Rover Workshop Manuals Freelander Service Procedures Charging And Starting Repairs Tensioner Ancillary Drive Belt Td4

Land Rover Freelander 2 0d Youtube

Land Rover Freelander 2 0d Youtube

Source : pinterest.com